技术交流体育馆

擴聲個性化設計的實質就是以人為本的擴聲清晰度之設計

一、概述

擴聲工程個性化設計實質就是以人為本,以最佳效果為目的的兩方面設計

1. 針對各個不同聲場環境的擴聲清晰度設計

2. 服務於擴聲清晰度的功能與管理控制設計

目前的問題是:業主投入各種項目的擴聲資金不斷提高,擴聲清晰度卻一直不高,但卻能通過驗收!

原因之一:工程驗收的五項擴聲指標里,目前暫時沒有規定可測量的清晰度STTPA指標,因此滿足擴聲五項指標要求后還聽不清也只能驗收!原因是擴聲五項指標是為清晰度服務的必要條件,但它們不是實現擴聲清晰度的充分條件(要達到多種語言可懂度,清晰度STTPA指標要大於0.50 STI以上)

原因之二:投入巨大資金做建聲處理后的大型場館,混響時間很難達標。其原因很複雜………實際的混響時間往往比設計的偏長,這種環境下選擇常規音箱、多聲源布局擴聲方式,語言清晰度很難達標。

圍繞體育場館的擴聲清晰度設計主要有三個部分。

首先:語言清晰度的設計是第一位的,如何配置擴聲系統設備來實現語言清晰度;如何實現音樂豐滿度及多種功能的實現。

其次:是擴聲系統五項技術指標如何設計,實質上也是語言清晰度的設計,只是必要條件而已。語言清晰度的設計,並結合該項目招標要求的五項擴聲技術指標的設計,這才是擴聲清晰度的充分必要條件。尤其是奧運會體育場館提出語言可懂度STIPA>0.50的技術指標,使其擴聲系統設計指標更加完善。

最後:是聲學EASE軟件仿真模型設計,是在工程設計階段,就可預測體育場館竣工后的語言清晰度(語言輔音清晰度損失率的百分比)。

筆者例舉北京師範大學體育館之擴聲工程個性化設計,就是依照上述之三個部分,按順序進行設計的。

本體育館是北京奧運會的美國國家隊各項目參賽隊的專用綜合熱身館,也是備受關注的最著名的夢之隊——美國國家籃球隊熱身的地方。美國方面要求語言擴聲能讓隊員們“很輕鬆的聽清楚”,竟然要求達到擴聲語言清晰度STIPA>0.70(超過普通小型會議室的擴聲語言清晰度要求)國內對於擴聲清晰度方面的實踐經驗與研究相對落後和缺乏,不太適應這種非常高的清晰度要求. 截至目前,國內還沒有哪個體育場館的擴聲語言清晰度有如此之高的要求!

美國人測試認為:200Hz-4KHz間(1/3倍頻程)對語言清晰度貢獻之和為91.5%

中國人測試認為:200Hz-4KHz間(1/3倍頻段)對語言清晰度貢獻之和為93.8%

美國聲學專家唐•戴維斯說:“提供平滑的頻響比擴展頻響更重要!由增加頻帶寬度所引起的聽覺感受,弱於不平坦的頻響所帶來的差別感受,對此很少有人能理解”。

“英雄所見略同”,筆者在考慮擴聲設計時,也希望在觀眾席的聲頻率響應越平坦越好。這樣,可以將語言、音樂的脈衝變化幅度隨頻率變化如實的反映到觀眾席聽眾雙耳。傳輸頻率特性越平坦,這樣語言清晰度就越好,音樂的低頻豐滿度和高頻明亮度也會越好。

也就是指比賽大廳觀眾席,場地的幅頻特性,一般可理解為聲頻率響應,它是指由主席台發言或場地聲音 → 擴聲系統 → 觀眾席聲音的頻率的響應,應該說在語言頻段125Hz-4KHz間越平坦越好!因此業主要求語言可懂度STIPA>0.70.當然這對於一個典型體育館的聲學環境來說,按行業習慣:擴聲高清晰度的實現要依賴於“建聲”大幅度的降低混響時間,語言可懂度STIPA>0.70相當於很好的小會議室的擴聲清晰度指標,靠目前的建聲處理技術,相當於把體育館近6萬立方米容積的比賽大廳的混響時間,降低到小於0.5秒條件下,常規擴聲技術才能實現語言可懂度STIPA>0.70,但對建聲來說這是不可能完成的任務!

筆者認為正確選擇先進的聲場擴聲清晰度設計理念,結合先進科學的擴聲技術與手段尤為重要,要解決此聲學難題,首先不能墨守陳規,要敢於科技創新,必須另闢蹊徑!大膽創新才有可能突破。

二、擴聲語言清晰度的設計:

筆者認為在所有廳堂、場館擴聲系統設計中,擴聲清晰度是靈魂,其中語言清晰度是第一位的,它即可主觀試聽,亦可客觀測量,也是北師大學體育館擴聲系統的第一設計。

(一) 選擇正確先進的聲場擴聲清晰度之理論設計依據。

荷蘭聲學家Peutz 歷經十年研究出的輔音清晰度損失率是設計的理論依據:

擴聲個性化設計的實質就是以人為本的擴聲清晰度之設計

式中:ST1是語言可懂度傳遞函數;

ALcons%是輔音清晰度損失率百分比;

D2:是揚聲器離最遠觀眾席距離;

T60:是房間的混響時間;

N:是功率比;(產生直達聲的功率與直達聲功率之外所有功率之比,相當於聲源數量)

Q:是揚聲器的指向性因子;

V:是房間的體積;

M:是臨界距離的修正值,一般M=1;

美國聲學家唐.戴維斯曾說過:Peutz的理論全世界每日在工程中應用,證明其理論精確與實用,另外,實踐告訴我們依此理論所做的廳堂、場館來看也是正確的。

從理論公式可以看出,體育場館的語言清晰度主要由兩個專業決定,一是建築聲學之混響時間T60,二是電聲專業之揚聲器Q值這是第一點。

第二點,是輔音清晰度損失率越小,語言清晰度越高,

因為ST1=0.9482-0.1845×lnALcons%。

語言清晰度臨界值為ST1PA≥0.45,也就是ALcons%≤15%。我們設計場館以此為據。北京奧運會對場館提出ST1PA大於0.5,即ALcons%≤11%的要求。作為體育館擴聲系統設計,語言清晰度以ST1PA≥0.45(既ALcons%≤15%)作為依據。從建聲和電聲兩專業進行設計。

(二) 建聲和電聲專業的語言清晰度設計。

1、建聲設計

根據體育館容積V=53887立方米,5000座位,每座容積11立方。依照JGJ/T131-2000《體育館聲學設計及測量規程》北京師範大學體育館屬於小於80000立方米容積,混響時間規定應在1.3 ~ 1.6秒(滿場500—1000Hz),按常規擴聲技術來設計,如果實現語言可懂度STIPA>0.70,必須把北京師範大學體育館近6萬立方米容積比賽大廳的混響時間,要降低到0.5秒條件下,語言可懂度STIPA>0.70才能實現,建聲做不到!

北京師範大學體育館建築聲學是由北京建築設計研究院進行設計,頂棚採用大面積網架結構,因考慮白天環保節能要求,其上鋪設採光用的“透光”陽光板,為了採光節能環保要求,不能鋪設吸聲材料以免遮光;球節點金屬網架以下四周側牆全部採用木質厚板穿孔敷設,因考慮木板強度,穿孔率還不到7%,離牆體50mm,比賽場地為木質的籃球比賽用地板,主席台、觀眾席及活動坐席為硬板塑料椅,經側量混響時間T60在3.0秒左右(500Hz),遠遠無法滿足常規電聲設計要求。

2、電聲設計——揚聲器指向性因數Q值選取:

在建聲混響時間確定情況下,選取寬頻帶,高靈敏度,高Q值揚聲器系統,在館內使用最少的2隻聲源布放方式,來覆蓋滿場。

根據北京師範大學體育館的語言清晰度STIPA目標而計算推導揚聲器指向性因數Q值過程

筆者使用Peutz擴聲聲場輔音清晰度損失率(ALcons%)理論計算公式,依據PROSO高清線源音箱對北師大體育館擴聲環境的駕馭能力,要做到最可靠的也是最保險的語言清晰度設計,因此採取以下設計措施:

筆者根據業主要求,把本體育館的語言清晰度STIPA設計目標定為平均值0.70,當然,這要遠遠高於北京奧運會場館要求的語言清晰度STIPA平均值0.50。

為了在長混響狀態下保證擴聲的語言清晰度,根據Peutz擴聲語言清晰度設計的理論要求:能滿足全場均勻覆蓋前提下,用強指向性的聲源布局的數量越少,全場擴聲語言清晰度就越高(後有公式導算)。

為此必須要求音箱能同時具備最重要的三個條件:

(1)單隻音箱具備超強指向性的寬覆蓋

(2)單隻音箱具備極超高的全頻聲壓級

(3)單隻音箱具備極超高的清晰度重放

而PROSO高清線源音箱正是完全滿足上述三個條件的具有“國際先進水平”的產品。

根據筆者對本體育館建聲環境的分析和對PROSO高清線源音箱技術特性的了解,再結合以往筆者對類似環境的擴聲經驗,其聲源布局數量不能大於2只。這樣體育館即使長達3.0秒混響時間條件下擴聲清晰度STIPA也能達到0.70。

推算北師大體育館符合語言清晰度設計要求的揚聲器指向性因數Q值過程如下:

擴聲語言傳輸指數STIPA設計目標:

擴聲個性化設計的實質就是以人為本的擴聲清晰度之設計

求出輔音清晰度損失率:

擴聲個性化設計的實質就是以人為本的擴聲清晰度之設計

通過得出輔音清晰度損失率:

擴聲個性化設計的實質就是以人為本的擴聲清晰度之設計

制定測量的混響時間:

擴聲個性化設計的實質就是以人為本的擴聲清晰度之設計

制定滿足覆蓋的最少音箱數量:

擴聲個性化設計的實質就是以人為本的擴聲清晰度之設計

度量出比賽大廳聲場容積:

擴聲個性化設計的實質就是以人為本的擴聲清晰度之設計

度量出覆蓋最遠觀眾距離:

擴聲個性化設計的實質就是以人為本的擴聲清晰度之設計

臨界距離修正值:

擴聲個性化設計的實質就是以人為本的擴聲清晰度之設計

通過以上數據求出所需音箱的指向性因子:

擴聲個性化設計的實質就是以人為本的擴聲清晰度之設計

求出音箱500Hz條件下的指向性因子Q值:

擴聲個性化設計的實質就是以人為本的擴聲清晰度之設計

推算結論:定製2隻PROSO高清線源音箱系統布放方案。每隻所需各頻率指向性Q值要求分別為:

500Hz Q=64 ;

1000Hz Q=139;

2000Hz Q=277;

4000Hz Q=520;

這種音箱數量很少;指向性因子Q很高的擴聲系統,可滿足混響時間T60為3.0秒的聲場擴聲清晰度STIPA平均值為0.70。

在下面的PROSO高清線源音箱Q值表中,選擇上面公式推導出的音箱Q值所對應的高清線源音箱型號、長度、相應拼接的模塊數量

擴聲個性化設計的實質就是以人為本的擴聲清晰度之設計

全天候高清線源音箱模塊FL-2指向性因子Q值表

根據上面Q值表所對應出以PROSO的20 只FL—2模塊拼接組成的一隻長度為7米的,全天候高清線源音箱,其各頻率指向性因數為:

500Hz  Q=64 ;

1000Hz Q=139;

2000Hz Q=277;

4000Hz Q=520;

經上式推導所選擇的音箱及布局方案:

(1)採用PROSO的FL-2高清線源音箱2隻,長度分別為7米的,具備超高Q值及銳利垂直指向性的寬水平覆蓋角度,以最少的兩個聲源滿足全場覆蓋布放的方式,同時考慮將來北師大體育館的演出舞台位置,是放在體育館一側的LED全彩大屏幕的下方,因此把2隻PROSO高清線源音箱分別對稱式布放弔掛在大屏兩側,做到演出時的聲像統一,既正好利用銳利的垂直角度,避開了占體育館全部有害反射聲、混響聲80%的頂棚,再次提高了擴聲清晰度。又利用銳利的垂直角度,製造“燈下黑”避開了大屏下面舞台上的演出話筒,提高演出擴聲的傳聲增益。整個擴聲系統的直達聲分別覆蓋兩側及對面的全場觀眾席及比賽場地(覆蓋比賽場地的音量可單獨控制)。

(2)採用4隻F12全頻帶號筒式音箱作為主席台或舞台的流動返聽音箱(音量可單獨控制)。

(3)採用四隻NP7超低音懸挂在大屏上方的馬道上,配合PROSO的FL—2高清線源音箱,增加演出時的低音豐滿度,並覆蓋體育館所有觀眾席及比賽場地(音量可單獨控制)。

註:這裡是否能提高語言清晰度的關鍵是PROSO的FL—2高清線源音箱的2000 Hz的Q值,加之500 Hz的指向性Q值,是明顯影響語言清晰度的主要因數,它們也是影響傳輸頻率特性的主要部分,況且500Hz也是明顯影響語言清晰度的起始點。

擴聲個性化設計的實質就是以人為本的擴聲清晰度之設計

(三) 擴聲系統中管理與控制設備的選配也是實現語言清晰度的保證。

1、高Q值、寬頻帶、大功率、高靈敏度、同時具備超強指向性的寬覆蓋的PROSO高清線源音箱的選取是保證語言清晰度的關鍵。

2、選配SHURE強大超數量的AFS反饋抑制器,防止、抑制建聲造成的反射聲等引起反饋嘯叫,保證系統穩定,是實現語言清晰度的保證。

3、主席台、裁判席、PROSO返送音箱配置,防止演說者聽不到自己聲音而聲嘶力竭,引起系統過載,引起失真,影響語言清晰度。

4、選配ASHLY 的DSP數字音頻處理器, 24bit A/D 、D/A轉換和處理、頻帶寬、動態大,S/N高(高達104 dB),不會給擴聲系統帶來噪聲,S/N高,有利保證語言清晰度。

5、對MIDAS調音台和dbx均衡器可進行調音,提高影響語言清晰度頻率1—2KHZ,增大清晰度。

(四)、音樂豐滿度的實現

1、配置PROSO的NP7超低音箱,其頻響35Hz—300Hz,這是音樂豐滿度的物質基礎。

2、效果器的應用,可模擬,補償廳堂進次反射聲及混響聲,美化個人演唱效果。

(五)、多種功能實現:

1、使用ASHLY數字音頻處理24.24M的預設/存儲/調出功能,十六種記憶功能,可滿足語言大會、體育比賽、音樂演出等不同使用功能,只須按動功能鍵就可實現。

2、消防報警系統可通過24.24M媒體矩陣和擴聲系統連接(繼電器觸發電壓控制)緊急呼叫時消防系統可通過繼電器將火災報警信號切入擴聲系統實行聯動,擴聲系統進行火災報警廣播。

擴聲個性化設計的實質就是以人為本的擴聲清晰度之設計

立面覆蓋圖

擴聲個性化設計的實質就是以人為本的擴聲清晰度之設計

剖面覆蓋圖

擴聲個性化設計的實質就是以人為本的擴聲清晰度之設計

平面覆蓋圖

擴聲個性化設計的實質就是以人為本的擴聲清晰度之設計

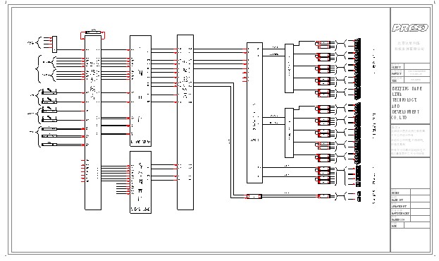
擴聲系統方框圖

三、擴聲系統五項技術指標的設計:

其實質亦是語言清晰度的設計,行業標準《體育館聲學設計及測量規程》,國家標準《廳堂擴聲系統設計規範》,中的聲學特性指標都是保證實現廳堂場館語言清晰度的必要條件。才是比較妥善的設計。

(一) 最大聲壓級:

首先明確是在重放情況下測量,不是擴聲。

第二,只要揚聲器至觀眾席直達聲滿足(或場地直達聲滿足)就行了。

第三,重要的是,寬頻帶粉躁聲的峰值因數一般取6dB,是必須牢記的。根據GB 50371-2006,《廳堂擴聲系統設計規範》最大聲壓級定義:有效值(RMS)聲壓級的長期平均值LRMS加上峰值因數的以10為底的對數再乘以20,

擴聲個性化設計的實質就是以人為本的擴聲清晰度之設計

北京奧組委技術部2006年1月提出《北京奧運會場館擴聲系統技術參數建議》對比賽場館聲壓級具體建議:

一般場館:正常工作90dB

緊急狀態103 dB

第四,根據北京師範大學體育館,我們選取PROSO的FL-2全頻帶高清線源音箱,阻抗為16歐姆、107dB/MW,有效功率400W;我們選取PROSO的DAF1000功率放大器,功率500W;使用EVJV4*4線纜,其電阻0.29歐/100米,聲控室至大屏100米左右,線路損耗之外,功放功率是大於揚聲器功率的,觀眾席、場地聲壓級是確保可以滿足的。

(二) 傳輸頻率特性:

1、 從MIDAS調音台到ASHLY數字音頻處理24.24M之間有兩路dbx2231,31段1/3倍頻程均衡器,可直觀現場調試館內觀眾席頻響;

2、 ASHLY數字音頻處理24.24M,12入/12出,雖然是固化的數字音頻處理功能模塊,基本上投射到觀眾席的每一支PROSO的FL-2全頻帶高清線源音箱,都有2路DSP:音量/分頻/壓限/6—8個點PEQ參數均衡器等功能模塊可供使用,調整揚聲器覆蓋之觀眾席聲場頻響。超低音頻音箱也有DSP可進行總體調試。

調試中應明確:觀眾席是一級標準;比賽場地是二級。

(三) 傳聲增益:

實質上是擴聲系統的穩定性,為此:

1、會議鵝頸式傳聲器選用EV的PC-s18,具有四種指向性可變,可根據館內具體情況使用不同指向形式。

2、利用ASHLY24.24數字音頻處理中的6路自動混音器,6入/1出,基本上始終只有一路輸出給調音台,並且具有NOM功能,就是說,即使有人插話,人數增加,其電平按10lgNOM減少,可保證館內聲壓級基本不變。

3、選配SHURE的DFR-22EQ自動反饋抑制器,,2入/2出,具有高達32-64點AFS,抑制任何惡劣建聲造成聲系統之反饋嘯叫。保證系統的穩定。我們將其並聯到調音台上使用,即可抑制嘯叫,又不影響重放音樂音質。

4、為了保證系統的穩定,PROSO的DAF系列功放每路都有微型電腦實時檢測控制電流防削波功能,進行信號過載保護。

(四) 聲場不均勻度:

聲場不均勻度是指觀眾席各坐席點,1K Hz、4K Hz聲壓級變化,如果觀眾席、場地傳輸頻響特性滿足要求,那麼聲場不均勻度上不成問題的。

行業標準很明確提出

一級觀眾席大部分地區≤8 dB

二級場地大部分地區≤10 dB

(五) 系統噪聲

行業標準要求擴聲系統不產生明顯可覺察的噪聲干擾。

1、設計使用DSP設備,其動態或N/S(信噪比)超過100 dB,擴聲系統不可能出現噪聲。

2、高清線源音箱、低音音箱系統分別懸挂在大屏兩側和馬道上,距場地18米,即使有白噪聲(功放噪聲)也衰減的根本不可能覺察出來。

3、擴聲系統如果不是地線連接不當,是不會產生明顯可覺察噪聲的。

四、計算機EASE聲學輔助設計

即是設計,亦是預測,是在工程設計階段就可預見工程竣工后,其擴聲語言清晰度及技術指標是否達標(除傳聲增益外)。

1、首先使用EASE4.0聲學設計軟件,在計算機上按照體育館建築結構平面、立面、刨面尺寸建立模型。模型的準確非常重要,仔細查閱測量CAD圖紙,得出模型所需準確各點坐標認真製作模型,在模型準確基礎上,按接近的實際混響時間再乘1.5倍(為實現擴聲清晰度留餘地)這叫保險的擴聲清晰度設計。僅僅做一側觀眾席達標,因為體育館對稱,鏡相拷貝就行,直達聲滿足技術指標,混響場最大聲壓級就更沒問題。

2、按照上式推算並選出的PROSO高清線源音箱的型號、數量、布局位置,如果設定體育館的T60為3秒的時候,EASE出的STIPA大於0.7 STI,應該再增大T60到4.3秒的混響時間,預測擴聲清晰度平均值能到STIPA≤0.60 STI,這樣做的目的是心中有數:即使建聲———混響時間長一些,仍可保證館內清晰度。

3、可以看一看125 Hz-4K Hz之間1/3OCT聲壓級進行統計分析,看它是否滿足頻響特性,如果傳輸頻響基本滿足

1K Hz   >  聲場均勻度就達標無疑。

4K Hz

4、傳聲增益:根據現場建聲反射聲等聲學缺陷以及電聲—揚聲器布放,使用自動反饋抑制器AFX抑制,才能顯現出來。EASE是無法顯現的。

5、系統噪聲:設計上是沒有問題的,只有在擴聲系統安裝調試後方可顯露出來,EASE圖是無法體現的,但是因為使用DSP數字音頻處理器,如果安裝無誤,應該不存在系統噪聲。

EASE聲學設計軟件,儘管存在不盡人意之處,但其理論依據是正確的,無誤的。如果模型相對準確,建聲仿真設計揚聲器選取安裝正確,是具有很好的實踐指導作用的。可在工程設計階段就可預見其體育館語言清晰度、最大聲壓級等技術參數,三維圖象顯示,直觀明確,一目了然。

EASE4.0 絕非擺設,也非技術矇人,實事求是地認真製作,對工程人員有實際意義的,尤其是語言清晰度及最大聲壓級兩項,絕對無可厚非!

下圖為北京師範大學體育館EASE模型的揚聲器位置和聲線4D圖:

擴聲個性化設計的實質就是以人為本的擴聲清晰度之設計

下圖為北京師範大學體育館EASE模型的混響時間曲線按4.3秒設定:

擴聲個性化設計的實質就是以人為本的擴聲清晰度之設計

下圖EASE為體育館直達聲聲壓級圖

擴聲個性化設計的實質就是以人為本的擴聲清晰度之設計

EASE模型的混響時間取4.3秒的1000 Hz直達聲聲壓級圖

擴聲個性化設計的實質就是以人為本的擴聲清晰度之設計

EASE模型的混響時間取4.3秒的2000 Hz直達聲聲壓級圖

擴聲個性化設計的實質就是以人為本的擴聲清晰度之設計

EASE模型的混響時間取4.3秒的4000 Hz直達聲聲壓級圖

下圖EASE為體育館語言快速傳輸指數STIPA圖:

擴聲個性化設計的實質就是以人為本的擴聲清晰度之設計

EASE模型圖的混響時間取4.3秒的1000 Hz STIPA平均值0.6以上

擴聲個性化設計的實質就是以人為本的擴聲清晰度之設計

EASE模型圖的混響時間取4.3秒的2000 Hz STIPA平均值0.6以上

五、聲場調試

(一)半場觀眾席聲場調試:

因為體育館是對稱設計的,我們主要對主席台一側觀眾席進行聲場調試,一切調整好后,只須將DSP數據進行拷貝,主席台對面觀眾席進行抽樣檢測即可。

1、對大屏兩側安裝LF-2高清線源音箱進行垂直角度及水平方位調整。全頻帶粉噪聲及1/3OCT倍頻程脈衝信號輸入給擴聲系統調音台,在觀眾席測量這隻揚聲器覆蓋面積,不同點位之聲壓級,記錄其聲場均勻度。

2、根據1/2場地揚聲器聲場、清晰度、聲壓級、均勻度情況,分析判斷、調整揚聲器投射的方向及軸心坐標點,使其聲場均勻

3、主席台一側所有揚聲器投射聲場,調試均勻

4、主席台對面一側觀眾席按主席台一側方位調整,抽樣檢測。

(二)採用DFR-22EQ自動反饋抑制器與調音台並聯,對在主席台放置開會的傳聲器條件下,擴聲系統開打功放,使體育館全部揚聲器發聲,進行反饋嘯叫抑制。因SHURE的DFR-22EQ是雙進/雙出,每路16+16計32點AFS,能充分分析建聲引起的反饋嘯叫,保證擴聲系統之穩定性。(因為觀眾席、場地PROSO的2隻FL-2全頻高清線源揚聲器及4隻NP7超低音全部開啟,亦可測量傳聲器增益,主席台處測量傳聲器測的聲壓級與觀眾席聲壓級之差,因為DFR-22EQ可抑制32個反饋點,系統穩定。傳聲增益指標,很易達到。

(三)在擴聲系統穩定基礎上,進一步調試傳輸頻響特性,使用Smart Live5.0軟件,顯示全頻帶頻譜,可在每一隻揚聲器覆蓋區域多點測量,利用24.24M中的6點PEQ及dbx2231 ,1/3OCT倍頻程均衡器進行補償、均衡、觀眾席聲場傳輸頻響可在±4dB,場地+4、-6 dB之內。

(四)傳聲增益、傳輸頻率特性,經幾次反覆測量調試,使之能滿足指標。

(五)最大聲壓級、在重放全頻粉噪聲條件下,半場多點長期有效值進行測量,在1/4功放功率處,可達≥97dB,因為1/4功率,滿功率增加6dB,粉噪聲峰值因數增加6dB,至少增加12dB,達標和超標是無問題的。

(六)系統噪聲:我們一般在午夜、空場、寂靜狀態下測量,沒有問題。

六、南開大學體育館聲學特性客觀測量:

(一)自我檢測:

1、使用SIA公司:Smart Live5.0測試軟件及Smart專業測試傳聲器、筆記本電腦、

PHONIC公司:校正過的PAA3便攜音頻分析儀,PH公司:34401A型數字多用表,全頻帶粉噪聲及聲級計TES-1351。

2、測量標準和測量方法:

*《體育館聲學設計及測量規程》JGJ/T131-2000  J42-2000

*《廳堂擴聲系統設計規範》GB 50371-2006

*《廳堂擴聲特性測量方法》GB/T4919-1995

3、半場測量—體育館測試點位示意圖

擴聲個性化設計的實質就是以人為本的擴聲清晰度之設計

北京師範大學體育館“最大聲壓級”的各測量點位示意圖

(T60為3.0秒的空場條件下測量平均值107 dB最高值110 dB)

擴聲個性化設計的實質就是以人為本的擴聲清晰度之設計

北師大體育館擴聲語言傳輸指數STIPA測量點位示意圖

(T60為3.0秒的空場條件下測量STIPA平均值0.72 最高值0.82)

擴聲個性化設計的實質就是以人為本的擴聲清晰度之設計

北京師範大學體育館外景

擴聲個性化設計的實質就是以人為本的擴聲清晰度之設計

北京師範大學體育館內景

擴聲個性化設計的實質就是以人為本的擴聲清晰度之設計

空場測量驗收體育館擴聲語言傳輸指數STIPA某位置數據為0.74

(此儀器屬於“國家建築工程質量監督經驗中心”並曾經被“北京08辦”委託,測量過鳥巢、水立方、國家體育館、英東遊泳館、五棵松籃球館、等所有北京奧運比賽場館的那台設備,檢測的數據相當可靠)

4、 擴聲系統安裝調試好后,業主請第三方國家權威檢驗機構進行檢測驗收

* 最大聲壓級 ≥107dB

* 傳輸頻率特性125 ~ 4KHz

在 ± 4dB之內

* 傳聲增益≤8dB

* 聲場不均勻度  1K

4K   ≤8dB

* 語言傳輸指數STIPA平均值≥0.72(空場)

* 系統噪聲:無明顯可覺察噪聲干擾。

(二) 主觀試聽:空場情況下,通過讀字報、講話,語言很清晰、聲壓級足夠、音樂豐滿。

(三)經被業主邀請的第三方專家使用丹麥BQK、瑞士NTI的AL1型專業聲學STIPA分析儀等儀器進行測量、體育館觀眾席達到體育館一級聲學特性指標、場地達到二級聲學特性指標。空場的語言傳輸指數STIPA平均值≥0.72 (國內已測STIPA平均值的體育場館中,北師大體育館空場擴聲清晰度0.72為最高)

七、結論

北京師範大學體育館的擴聲設計,是以語言清晰度為主的第一設計,是建聲混響時間長,聲學缺陷多的環境下之一種,既要保證語言高清晰度,又要保證演出狀態下的傳聲增益、聲像一致之個性化設計,這樣在擴聲系統穩定達標情況下,空場條件下就能讓擴聲語言清晰度超高!(STIPA平均值≥0.72 最高值0.82  ),滿場語言清晰度會更高!在工程之初,如果傳統使用“臨界距離理論”計算長混響時間下的擴聲清晰度STI不直觀(註:“臨界距離理論”忽略多聲源間的干擾,而導致梳狀濾波劣化擴聲清晰度的問題,且聲源布局數量越多越明顯),而選擇傳統音箱多聲源布局方式,甚至難以保證在T60=3秒環境下,來實現清晰度目標。儘管採用多聲源分散布局、高Q值揚聲器系統,也只能在一定混響時間條件下予以補償,混響時間超過一定限度也是難以保證的。除非採用最少聲源布放方式,使用高清線源音箱方案予以解決,象湖南省十運會的株洲游泳館(T60=4秒條件下),北京奧運會的英東遊泳館(T60=4秒條件下),北京溫都水城(T60=7.8秒條件下)奧運國家綜合訓練館群——田徑館(T60=9.8秒條件下)使用PROSO高清線源音箱系統,方可完善解決語言清晰度。

因此,體育館的聲學設計是建聲和電聲之互補設計。但這也必須在設計之初,予以嚴格計算推導,方能穩妥解決。總而言之,不論建聲設計還是電聲設計,都是要保證擴聲語言清晰度設計是第一位的,既是設計的目的,亦是工程的最終結果,這種互補設計貫穿聲學工程的始終。

 

相关的文章